Skip to main content

© Copyright Nexdor Systems 2026.

Terms & Conditions | Privacy Policy

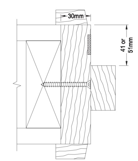
Door Frames

Nexdor Systems provides a variety of standard and bespoke frames to suit our range of flush panels. From standard timber frames to architectural metal frames, we can look at any options viable to make the design intent work on your project. Nexdor is also a distributor of EZ Concepts range of Ezy Jambs.

Get in touch

Pressed Metal Frame

Timber Frames